「エンジン関連」の商品です

(小さな画像が複数あるものは、クリックすると大きな画像が切り替わります)。
シフトアップ 920535 エキゾーストスタッドボルト M6X35 モンキー シフトアップ 920535
thum1

シフトアップ 920535 エキゾーストスタッドボルト M6X35 モンキー シフトアップ 920535

シフトアップ 920535 エキゾーストスタッドボルト M6X35 モンキー

商品内容 商品名 シフトアップ 920535 エキゾーストスタッドボルト M6X35 モンキー 状態 新品未使用 内容 シフトアップ社用補修パーツ サイズ:M6X35 適合車種: モンキー 一部メーカー取り寄せ商品もあります。 必ず適合(車種・年式・型式など)をご確認の上、ご注文下さい。 商品の詳細な情報については、メーカーサイト(www.motor-shiftup.co.jp/index.htm...

バイクマン 楽天市場店
308円(税込) (送料別) (カード利用可)

デイトナ クラッチリフタープレート 5ディスククラッチキット補修品(75321 74443 75322) モンキー ゴリラ 75427 JP店
thum1thum2

デイトナ クラッチリフタープレート 5ディスククラッチキット補修品(75321 74443 75322) モンキー ゴリラ 75427 JP店

クラッチリフタープレート 5ディスククラッチキット補修品(75321/74443/75322)です。・モンキー/ゴリラ(12V) Z50JN/P/S/T/V/W/X/Y Z50J-2000001〜・モンキー/ゴリラ(12V) Z50J1/2/4/5/6/7 AB27-1000001〜・モンキーバハ Z50JM/N/P Z50J-1700001〜75427楽天 JP店 

株式会社ヒロチー商事 楽天市場店
2,049円(税込) (送料別) (カード利用可)

【SP武川(TAKEGAWA)】 【4514162295915】 01-05-0381 eステージN-15ボアアップキット143cc
thum1thum2thum3

【SP武川(TAKEGAWA)】 【4514162295915】 01-05-0381 eステージN-15ボアアップキット143cc

【SP武川(TAKEGAWA)】 【4514162295915】 01-05-0381 eステージN-15ボアアップキット143cc■ 対応車種モンキー125(JB02) :モンキー125(JB02-1000001〜):モンキー125(タイモデル/MLHJB02)■ 詳細シリンダーとピストンの変更で、排気量をノーマル124ccから143ccに変更出来るボアアップキットです。FIコン TYPE-e(...

GLOBAL MOTO
35,402円(税込) (送料込) (カード利用可)

KITACO (キタコ) バルブSPリテーナー SS USE/ モンキー 303-1083520
thum1

KITACO (キタコ) バルブSPリテーナー SS USE/ モンキー 303-1083520

キタコ KITACO

メーカー名:キタコメーカー品番:303-1083520

バイクパーツ・用品 ラバーマーク
990円(税込) (送料別) (カード利用可)

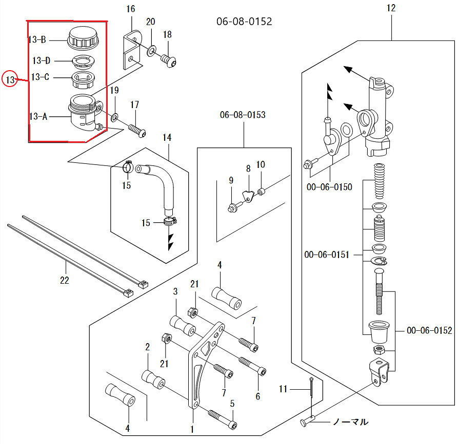
SP武川 SPタケガワ 【補修用パーツ】リザーバータンク COMP. モンキー ゴリラ HONDA ホンダ オイルキャッチタンク・ガソリンキャッチタンク エンジンパーツ エンジン
thum1thum2thum3

SP武川 SPタケガワ 【補修用パーツ】リザーバータンク COMP. モンキー ゴリラ HONDA ホンダ オイルキャッチタンク・ガソリンキャッチタンク エンジンパーツ エンジン

SP武川SPタケガワ オイルキャッチタンクガソリンキャッチタンク  【補修用パーツ】リザーバータンク COMP.

■商品概要【画像内番号】13(A.B.C.D)入数:各1対象商品品番:06-08-0152/06-08-0143/06-08-0156/06-08-0154/06-13-0010■注意点※該当商品は画像赤枠内です。※メーカー都合により商品の仕様変更がある場合がございます。ご了承ください。※ロットによっては、価格変更前の旧価格・旧JANコードでのラベルでお届けになる場合がございます。予めご了承くださ...

ウェビック 楽天市場店
4,251円(税込) (送料別) (カード利用可)

クリッピングポイント製 ハイパワー88ccキット適合:6Vモンキー前期
thum1thum2

クリッピングポイント製 ハイパワー88ccキット適合:6Vモンキー前期

【ハイパワー88cc+ハイカム】

商品説明 商品名 ハイパワー88ccキット 型番 mz50j13hp88st0 特徴 ・52Φビッグフィンビッグボアアルミシリンダーセット採用で冷却性能を上げながらパワーアップ ・ビッグバルブヘッド(IN25Φ EX22Φ)採用でパワーアップ ・ハイカムシャフト付でパワーアップ ※ビッグキャブキットとの併用をお勧めします。 ※パワーアップしたエンジン保護のために強化パーツとの併用をお勧めします。 ...

クリッピングポイント 楽天市場店
47,850円(税込) (送料込) (カード利用可)

C.F.POSH(CFポッシュ) ロッカーアームシャフト 2pcs モンキー/ゴリラ 271815 バイク エンジン
thum1

C.F.POSH(CFポッシュ) ロッカーアームシャフト 2pcs モンキー/ゴリラ 271815 バイク エンジン

バイク エンジン その他エンジン関連

※商品の参考画像です。実物とは異なる場合があります。 カラー、サイズ等は商品説明欄をご確認ください。 商品名:ロッカーアームシャフト 2pcs モンキー/ゴリラ メーカー品番:271815 ブランド:C.F.POSH(CFポッシュ) 「CFポッシュ」は、レーシングCDIスーパーバトル、モンキー用カスタムパーツを中心とした製品に加え、HARLEY DAVIDSON用ボルト&ナットなど、多数の商品を取...

パーツダイレクト楽天市場店
1,010円(税込) (送料別) (カード利用可)

SP武川 ピストンキット ・01-02-517
thum1

SP武川 ピストンキット ・01-02-517

SP武川 SP TAKEGAWA ピストン エンジン バイク

●メーカー名:SP武川 / SP TAKEGAWA(スペシャルパーツタケガワ)●商品名:ピストンキット●メーカー品番:・01-02-517●JANコード:4514162293966商品の保証は、メーカー保証書の内容に準じます。●備考Sステージキット用リペアパーツメーカー車種年式型式・フレームNo.その他ホンダゴリラ(12V)Z50J-2000001- / AB27-1000001-1899999ホ...

モトメガネ 楽天市場店
11,917円(税込) (送料別) (カード利用可)

クリッピングポイント製 強化オイルポンプ適合:モンキーRT
thum1

クリッピングポイント製 強化オイルポンプ適合:モンキーRT

【油膜切れ防止部品】

商品説明 商品名 強化オイルポンプ 型番 mrtab2210pomp 特徴 ・ボアアップ等で発熱量の増えたマシンの熱だれや油膜切れの防止に効果的 ・ボアアップキットの必需品 ・オイルクーラーと併用すると効果的 ※取り付けの際はクラッチカバーの脱着が必要です。  別途クラッチカバーガスケットセットをお買い求めください。 適合車種 ・モンキーRT

クリッピングポイント 楽天市場店
4,180円(税込) (送料別) (カード利用可)

クリッピングポイント製 ツーリング116ccキット適合:モンキーバハ
thum1thum2

クリッピングポイント製 ツーリング116ccキット適合:モンキーバハ

【ツーリング116cc+ハイカム】

商品説明 商品名 ツーリング116ccキット 型番 z50j17t116st0 特徴 ・52Φビッグフィンビッグボアロングアルミシリンダーセット採用で冷却性能を上げながらパワーアップ ・54.5mmストローククランクシャフト採用でパワーアップ ・ビッグフィンビッグバルブヘッド(IN23Φ EX20Φ)採用で冷却性能を上げながらパワーアップ ・バルブガイド、バルブシートにリン青銅を採用で冷却性能、耐...

クリッピングポイント 楽天市場店
83,600円(税込) (送料込) (カード利用可)

キタコ KITACO 310-1123930 DOHCシリンダーヘッドサイドカバー タイプ3 キタコ社製モンキー系DOHCシリンダーヘッド装着車
thum1thum2thum3

キタコ KITACO 310-1123930 DOHCシリンダーヘッドサイドカバー タイプ3 キタコ社製モンキー系DOHCシリンダーヘッド装着車

郵送可・配送方法変更要!

適合車種:キタコ社製モンキー系DOHCシリンダーヘッド装着車 キタコ社製DOHCシリンダーヘッド用の左側サイドカバーのセットです。 旧製品のDOHCシリンダーヘッドにも使用可能。 ブローバイニップルの装着も可能です。 ●補修用 ●キタコ社製モンキー系DOHCシリンダーヘッド対応●アルミ鋳造バレル仕上げ ●取り付けボルト、サイドカバーガスケット付属

モトキチ
8,305円(税込) (送料込) (カード利用可)

CB400F クランクケースナット 在庫有 即納 ホンダ 純正 新品 バイク 部品 車検 Genuine モンキー CB1300SF フュージョン スーパーカブ50 CBR1000RR VFR400R CBR250R グロム CBR600RR CB750 XR250R CR125R タクト CB750K VTR1000F CB1100 Hn
thum1thum2thum3

CB400F クランクケースナット 在庫有 即納 ホンダ 純正 新品 バイク 部品 車検 Genuine モンキー CB1300SF フュージョン スーパーカブ50 CBR1000RR VFR400R CBR250R グロム CBR600RR CB750 XR250R CR125R タクト CB750K VTR1000F CB1100 Hn

商品のコンディションこちらの商品、写真でご覧の通り新品未使用品となっております。安心の純正品です!楽天上ではなかなか出てこない珍しい品です!修復素材やカスタム素材に如何でしょうか?在庫ございますので即日発送出来ます♪必要な数だけ注文してください。お探しの方、お早めにどうぞ♪[Parts Name]Nut参考データ●メーカー:ホンダ●車名:CB400F●共用車種:スーパーカブ50/スーパーカブ70/...

ティーエスパーツ 楽天市場店
180円(税込) (送料別) (カード利用可)

SP武川(SPタケガワ) カムシャフト レギュラーヘッド用 モンキー/R ゴリラ
thum1

SP武川(SPタケガワ) カムシャフト レギュラーヘッド用 モンキー/R ゴリラ

スペシャルパーツタケガワ SP TAKEGAWA

メーカー名:スペシャルパーツタケガワメーカー品番:01-08-0064適合情報:ホンダ[HONDA] GORILLA [ゴリラ] ホンダ[HONDA] MONKEY [モンキー Z50J] ホンダ[HONDA] MONKEY R/RT [モンキーR/RT]

バイクパーツ・用品 ラバーマーク
19,800円(税込) (送料別) (カード利用可)

キタコKITACO ウインカーレンズセット左右2ヶ1セット モンキーMONKEY/ゴリラ/エイプ50等 スモーク 807-1083100
thum1thum2thum3

キタコKITACO ウインカーレンズセット左右2ヶ1セット モンキーMONKEY/ゴリラ/エイプ50等 スモーク 807-1083100

スモーク/-/807-1083100・Color:スモーク・パッケージ個数:1・適合車種フロント、リヤ共に適合モンキー/ゴリラ:FNO Z50J-2000001~、FNO AB27-1000001~1899999 | モンキーFI車:FNO AB27-1900001~ | エイプ50:FNO AC16-1000001~1599999 | エイプ50FI車:FNO AC16-600001~ | エイ...

nicobeststore
2,520円(税込) (送料込) (カード利用可)

モンキー SP武川 ツインスパーク・スーパーヘッド+R(デコンプ機能無し) 用オプショナルカムシャフト op
thum1thum2thum3

モンキー SP武川 ツインスパーク・スーパーヘッド+R(デコンプ機能無し) 用オプショナルカムシャフト op

商品欠品時にはお届けまでにお時間を要します。この場合別途ご連絡いたします。key:カムシャフトzero251747カムシャフトの脱着が容易●従来のシリンダーヘッドでは、シリンダー搭載時力ムシャフトの交換が困難でしたが、スーパーヘッドRでは、カムシャフトオイルライン側のベアリングをシリンダー側に残し、ロッカーアームを取外さなくてもカムシャフトの脱着が可能です。車両にエンジンを搭載している状態でも力ム...

バイク メンテ館
22,000円(税込) (送料別) (カード利用可)

SP武川 タケガワ 01-08-0141 オートデコンプカムシャフト (10/15) 12V-モンキー (スーパーヘッド 4-バルブ ヘッド専用) SP武川 タケガワ 01-08-0141
thum1

SP武川 タケガワ 01-08-0141 オートデコンプカムシャフト (10/15) 12V-モンキー (スーパーヘッド 4-バルブ ヘッド専用) SP武川 タケガワ 01-08-0141

SP武川 タケガワ 01-08-0141 オートデコンプカムシャフト (10/15) 12V-モンキー (スーパーヘッド 4-バルブ ヘッド専用)

商品内容 商品名 SP武川 タケガワ 01-08-0141オートデコンプカムシャフト (10/15) 12V-モンキー (スーパーヘッド 4-バルブ ヘッド専用) 状態 新品未使用 内容 スーパーヘッド4V+R用の10/15デコンプカムシャフトです。 12Vモンキー/ゴリラ用 商品の詳細な情報については、メーカーサイト(www.takegawa.co.jp/)でご確認ください。 画像はイメージ画像...

バイクマン 楽天市場店
31,730円(税込) (送料別) (カード利用可)

ジャズ(JAZZ) 50cc用12V 88ccボアアップキット アルミシリンダ 田中商会
thum1thum2thum3

ジャズ(JAZZ) 50cc用12V 88ccボアアップキット アルミシリンダ 田中商会

【適合車種】ジャズ(JAZZ)※装着に当たっては専門知識を持っている方が行ってください。 また、田中商会及び当社では装着方法などをお客様にサポートすることはできません。 ※本商品は輸入商品のため、微細な傷が入っている場合がございますが、傷に関してはクレームの対象外とさせていただきます。zero456505※装着に当たっては専門知識を持っている方が行ってください。 また、田中商会及び当社では装着方法...

バイク メンテ館
13,094円(税込) (送料別) (カード利用可)

SP武川 クランクケースカバープロテクター モンキー125 ゴールド 02-01-0122 JP店
thum1thum2

SP武川 クランクケースカバープロテクター モンキー125 ゴールド 02-01-0122 JP店

SP武川 クランクケースカバー19年-21年 ホンダ モンキー125カラー:ゴールド内容:プロテクター、ボタンヘッドスクリュー 6×15(3個入り)02-01-0122楽天 JP店 

株式会社ヒロチー商事 楽天市場店
8,237円(税込) (送料別) (カード利用可)

キタコ リアマスターシリンダー モンキーリアディスク 500-1083602 HD店
thum1

キタコ リアマスターシリンダー モンキーリアディスク 500-1083602 HD店

キタコ リアマスターシリンダーリアディスクモンキー500-1083602楽天 HD店 

ヒロチー商事 ハーレー 楽天市場店
21,226円(税込) (送料別) (カード利用可)

▽MONKEY/モンキー125 JB03 チタンボルトセット スプロケットエンジンカバー レーススペックタイプ ゴールド/2本set (HO1007SPGO)
thum1thum2thum3

▽MONKEY/モンキー125 JB03 チタンボルトセット スプロケットエンジンカバー レーススペックタイプ ゴールド/2本set (HO1007SPGO)

送料無料 バイク オートバイ カスタムパーツ クランクケース チタン ネジ レース フランジ

 商品詳細   ・品番:HO1007SPGO-B001  ・適合車種:MONKEY/モンキー125 JB03  ・適合年式: '21-'23  ・エンジンカバー箇所:スプロケット  ・ボルトサイズ:M6  ・セット本数:2本  ・ボルトカラー:ゴールドカラー  ・セット内容:エンジンカバーボルト、取扱説明書、カッパーグリス(5g)  ・仕...

モトボックス 楽天市場店
1,810円(税込) (送料込) (カード利用可)

モンキークラッチホンダ純正バイク部品AB27コンディション良好割れ欠け無し品薄希少品車検Genuine【中古】 26
thum1thum2thum3

モンキークラッチホンダ純正バイク部品AB27コンディション良好割れ欠け無し品薄希少品車検Genuine【中古】 26

商品のコンディションこちらの商品、写真でご覧の通り少々使用感ございますが、割れカケなどの欠点ございません。取り付け部良好です。楽天上ではなかなか出てこない珍しい品です!修復素材やカスタム素材に如何でしょうか?自分のパーツは売るときのためにとっておいて、お値打ちな中古パーツでカスタムを楽しんじゃいましょう♪ご活用いただける方、よろしくおねがいします!参考データ●メーカー:ホンダ●車名:モンキー●型式...

ティーエスパーツ 楽天市場店
4,800円(税込) (送料込) (カード利用可)

Lifan社製 124cc セル付遠心クラッチ エンジンキット 田中商会
thum1thum2thum3

Lifan社製 124cc セル付遠心クラッチ エンジンキット 田中商会

【適合】汎用※装着に当たっては専門知識を持っている方が行ってください。 また、田中商会及び当社では装着方法などをお客様にサポートすることはできません。 ※本商品は輸入商品のため、微細な傷が入っている場合がございますが、傷に関してはクレームの対象外とさせていただきます。※装着に当たっては専門知識を持っている方が行ってください。 また、田中商会及び当社では装着方法などをお客様にサポートすることはできま...

バイク メンテ館
45,046円(税込) (送料別) (カード利用可)

C.F.POSH(CFポッシュ) ピストンリングセット 48mm モンキー 270094 バイク
thum1

C.F.POSH(CFポッシュ) ピストンリングセット 48mm モンキー 270094 バイク

バイク エンジン ピストン

※商品の参考画像です。実物とは異なる場合があります。 カラー、サイズ等は商品説明欄をご確認ください。 商品名:ピストンリングセット 48mm モンキー メーカー品番:270094 ブランド:C.F.POSH(CFポッシュ) 「CFポッシュ」は、レーシングCDIスーパーバトル、モンキー用カスタムパーツを中心とした製品に加え、HARLEY DAVIDSON用ボルト&ナットなど、多数の商品を取り扱ってい...

パーツダイレクト楽天市場店
1,500円(税込) (送料別) (カード利用可)

SP武川 ピストンKIT(106CC) SH4R モンキー 01-02-6023 JP店
thum1thum2

SP武川 ピストンKIT(106CC) SH4R モンキー 01-02-6023 JP店

ピストンキットです。【適合車種】 ・12Vモンキー.ゴリラ (Z50J-2000001?) (AB27-1000001?1899999)・CRF50F (AE03-1400001?)・XR50R (AE03-1000001?)・CRF70F (DE02-1700001?)・XR70R (DE02-1000001?) Sステージスカット106ccキット用補修パーツ01-02-6023楽天 JP店 

株式会社ヒロチー商事 楽天市場店
24,077円(税込) (送料別) (カード利用可)

SP武川(SPタケガワ) ストロークUPクランクシャフト124cc APE100/XR100 01-10-0112 バイク
thum1

SP武川(SPタケガワ) ストロークUPクランクシャフト124cc APE100/XR100 01-10-0112 バイク

バイク エンジン クランクシャフト

※商品の参考画像です。実物とは異なる場合があります。 カラー、サイズ等は商品説明欄をご確認ください。 商品名:ストロークUPクランクシャフト124cc APE100/XR100 メーカー品番:01-10-0112 ブランド:SP武川(SPタケガワ) エイプやモンキー、ゴリラを中心とした4MINIバイクのボアアップパーツやカスタムパーツを数多くラインナップ。性能と品質の良さから、国内のみならず、海外...

パーツダイレクト楽天市場店
64,350円(税込) (送料別) (カード利用可)

SP武川 カムスプロケット 28T 00-01-0464 HD店
thum1

SP武川 カムスプロケット 28T 00-01-0464 HD店

SP武川 カムスプロケット 28Tモンキー(スーパーE・F,+R,4V+R/17R/R-Stage用)00-01-0464楽天 HD店 

ヒロチー商事 ハーレー 楽天市場店
2,641円(税込) (送料別) (カード利用可)

キタコ(KITACO) セルモーターカバー (ブラック) グロム(JC92) モンキー125(JB03/JB05) ダックス125(JB04/JB06) 316-1452050
thum1thum2thum3

キタコ(KITACO) セルモーターカバー (ブラック) グロム(JC92) モンキー125(JB03/JB05) ダックス125(JB04/JB06) 316-1452050

適合車種 モンキー125 : JB03/JB05 | ダックス125 : JB04/JB06 | グロム : JC92

キタコ(KITACO) セルモーターカバー (ブラック) グロム(JC92) モンキー125(JB03/JB05) ダックス125(JB04/JB06) 316-1452050 適合車種 モンキー125 : JB03/JB05 | ダックス125 : JB04/JB06 | グロム : JC92 ボルトオン アルミ削り出し 取付ボルト、カラー付属 セルモーターに装着するワンポイントのドレスアップパ...

ビッグゲート
7,553円(税込) (送料込) (カード利用可)

【SP武川(TAKEGAWA)】 【4514162298442】 01-10-0125 強化クランクシャフトCOMP.(Rタイプ)
thum1thum2thum3

【SP武川(TAKEGAWA)】 【4514162298442】 01-10-0125 強化クランクシャフトCOMP.(Rタイプ)

【SP武川(TAKEGAWA)】 【4514162298442】 01-10-0125 強化クランクシャフトCOMP.(Rタイプ)■ 対応車種12Vモンキー・DAX・カブ 対象車両:12Vモンキー/ゴリラ(Z50J-2000001 /AB27-1000001 1899999):モンキーBAJA:モンキーR/RT:12V DAX50:JAZZ:MAGNA50:モトラ:Solo(全車種):シャリー(C...

GLOBAL MOTO
68,830円(税込) (送料込) (カード利用可)

CLIPPING POINT クリッピングポイント 54mmストローククランクシャフト モンキー HONDA ホンダ クランクシャフト エンジンパーツ エンジン
thum1thum2

CLIPPING POINT クリッピングポイント 54mmストローククランクシャフト モンキー HONDA ホンダ クランクシャフト エンジンパーツ エンジン

CLIPPING POINTクリッピングポイント クランクシャフト  54mmストローククランクシャフト

■商品概要型番:mab2710hp11554cr●ハイパワー115ccキット補修用クランクシャフト■注意点※メーカー都合により商品の仕様変更がある場合がございます。ご了承ください。 ※画像はイメージです。■適合車種モンキー モンキー  備考: ハイパワー115ccキット装着車/AB27-1000001-1809999

ウェビック 楽天市場店
27,500円(税込) (送料別) (カード利用可)

キタコ 315-6304000 超高速精密ベアリング #6304 モンキー.DAX.CB キタコ 315-6304000
thum1

キタコ 315-6304000 超高速精密ベアリング #6304 モンキー.DAX.CB キタコ 315-6304000

キタコ 315-6304000 超高速精密ベアリング #6304 モンキー.DAX.CB

商品内容 商品名 キタコ 315-6304000 超高速精密ベアリング #6304 モンキー.DAX.CB 状態 新品未使用 内容 商品の詳細な情報については、メーカーサイト(www.kitaco.co.jp/jp/index2.html)でご確認ください。 画像はイメージ画像となります。 ご注文後、 一部の商品はメーカー取り寄せも御座います。 適合(車種・年式・型式など)を必ずご確認の上、ご注文...

バイクマン 楽天市場店
2,074円(税込) (送料別) (カード利用可)